MSMD系列双手控制安全模块
MSMD系列双手控制安全模块功能描述
MSMD-312双手控制安全继电器可检测双手控制装置、 接线和接触器安全电路中的故障。这些继电器可用作中 间继电器执行开关动作。它们适合用于机械和电容式双 手控制单元。
MSMD系列双手控制安全模块特性
安全输入
MSMD-312双手控制安全继电器两路输入开关信号时间差必须小于0.5s,必须同时按住两个按钮 开关时输出才会处于闭合状态。如果其中一个开关或两个开关处于释放状态,输出即转变为断开状 态,此时,两个开关必须全被释放然后再同时按住时,输出即转变为闭合状态,机器才会重新启动。
安全输出
MSMD-312双手控制安全继电器有两个常开安全输出和一个常闭辅助输出。辅助输出是一个专门 用于提供有关于安全输出状态的外部信号的非安全输出,安全输出具有支持安全功能的冗余电路 和自动监视机构。在每个工作周期内,双手控制安全继电器都可以自动检测出触点是否正确断开或 闭合。
MSMD系列双手控制安全模块技术参数

MSMD系列双手控制安全模块尺寸图及端子配置

注意:安全继电器模块安装在防护等级为IP54以上电控箱内,使用DIN导轨(35mm)安装固定。
MSMD系列双手控制安全模块使用及安全注意事项
● 请确保电源电压在额定范围内使用。
● 请确保对输入端子施加规定电压。
● 请勿使产品掉落或施加异常振动、冲击。
● 请勿将酒精、稀释剂、三氯乙烯、汽油等溶剂附着于产品上。
● 请勿在有腐蚀性气体及可燃性气体的场所使用。
● 请按照规定的扭矩紧固端子螺钉(扭矩:0.5~0.7 N.m)。
● 请务必确保在电源切断的情况下进行接线操作。
● 请勿在雷击危险时进行接线作业。
● 请勿使用超过开关容量(接点电压、接点电流)等接点额定值的负载。
● 请根据需要连接合适的保护元件(额定电流5A以下的保险丝等),以防止负载短路、接地故障。
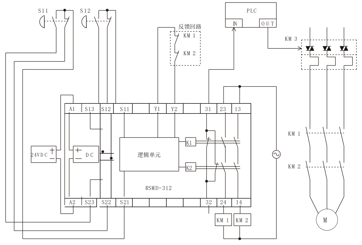
MSMD系列双手控制安全模块应用示例及接线说明
MSMD-312 (DC24V),搭载双手按钮开关输入

应用描述: 当双手按钮开关S11和S12被同时按下,电机M将被起动。 当双手按钮开关中的一个被断开, 电机M将被关闭。